苹果侵权风波再起 iPhone6真的会被禁售?
近日,苹果公司再陷侵权风波,旗下两款产品Phone6和iPhone6 Plus被北京知识产权局在《专利侵权纠纷处理决定书》中裁定,手机的外观设计侵犯了佰利营销服务公司的专利产品,责令苹果公司停止销售iPhone6和iPhone6 Plus两款机型。
目前苹果手机已经向上一级法院申请行政复议,如果最终维持原判,苹果将面临在中国大陆不得销售iPhone6以及iPhone6 Plus的情况。这是继十年前iPad名字使用权诉讼后,苹果再次陷入侵权风波。
在上一起侵权事件中,苹果败诉,最后与原告唯冠科技(深圳)达成和解,以3.5万英镑获得iPad在全球的商标。而与上一起诉讼不同的是,这次诉讼案最终谁将胜诉,还需等待上一级法院裁决。

苹果涉嫌侵权外观专利
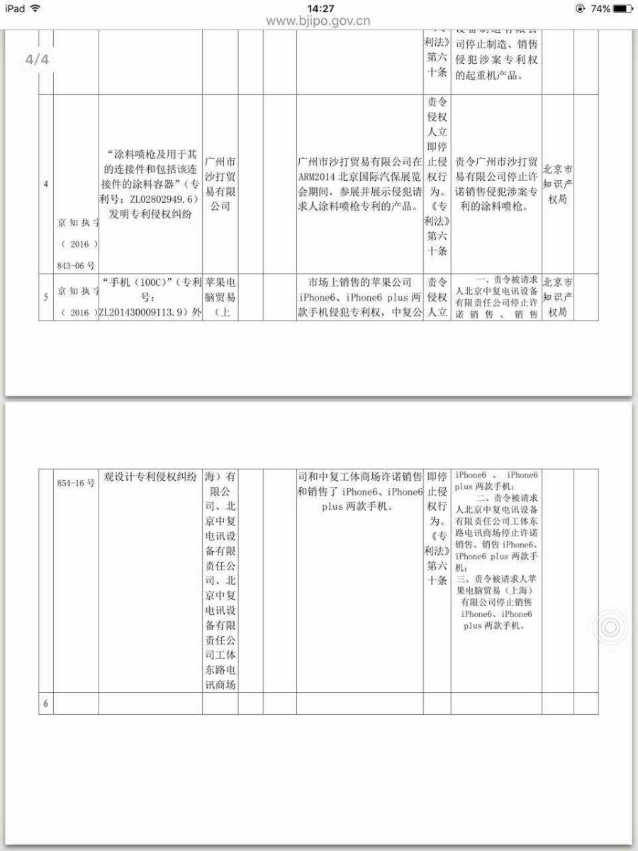
据了解,此次苹果被告侵犯了手机100c的外观专利,该项专利持有人为深圳佰利营销服务公司。根据北京知识产权局信息显示,同为成为被告的还有北京中复电讯设备有限责任公司及旗下工体东路电讯商场。
第一财经记者在企业工商信息系统天眼查上搜索到佰利营销服务公司的相关信息,其法人代表为徐国祥。而100c手机为深圳百分之百有限公司(下称“百分之百”)旗下手机,根据专利号检索发现,此次苹果涉嫌侵权的外观设计人正是百分之百法人徐国祥。
徐国祥曾在2006年创建深圳市百分之百数码科技有限公司,旗下的100c在当时作为TD手机销售。2013年,百分之百被百度收购,走上巅峰。此后,由于通讯技术提升加上小米等互联网手机的兴起,手机市场竞争加剧,100c手机逐步被市场淘汰。目前,公司已经处于破产边缘。有业内人士告诉记者,曾尝试联系徐国祥,但其电话无法接通。

引人关注的是此次苹果提请复议一旦被驳回维持原判,那么iPhone6以及iPhone6 Plus将在国内面临禁售的境遇。目前,中国已经成为苹果最重要的市场,去年苹果CEO库克多次到访中国,并在近期对中国租车平台滴滴出行投资10亿美元。而此次仲裁决定将极大影响到苹果产品在中国市场的表现。,受此消息影响,近日苹果股价严重下滑。
“苹果不会容忍iPhone6在北京禁售,更不会容忍在全国禁售,一旦苹果行政复议无法成功,和解是唯一渠道。”手机联盟秘书长老杳表示。
此次被告之一的中复通讯是苹果在国内重要的销售渠道。中复官方资料显示,近几年,公司的年均销售额达到26亿元,在北京的通讯产品零售市场占据着近1/4的销售份额。
而由于公司目前已经没有新的资金进入,对于佰利和百分之百而言,和解费或许也是此次状告苹果的最重要目的。